| 注意:访问本站需要Cookie和JavaScript支持!请设置您的浏览器! • 打开购物车 • 查看留言 • 付款方式 • 联系我们 |
![]() |
| 首页 | 电子入门 | 学单片机 | 免费资源 | 下载中心 | 商品列表 | 象棋在线 | 在线绘图 | 加盟五一 | 加入收藏 | 设为首页 |
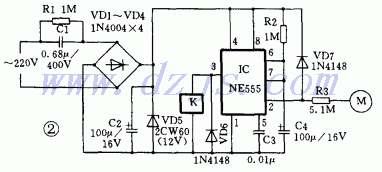
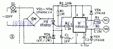
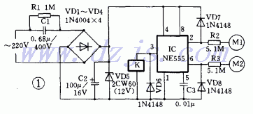
| 选择分类:当前分类——实用电路 相关联或者相类似的文章: 实用的门控防盗报警器(739) FM调频发射制作实验 (704) 简易电压保持器电路(696) 单键555双稳开关(683) 音调解码器567详解(681) ISD4004-16M语音芯片的循环录放电路设计(680) 集成音频功放IC应用于BTL方法探讨与实验(675) 全天侯太阳能自动跟踪控制器(672) 电子变压器(655) 电子仿声驱鼠器(651) 低频微弱信号的模拟预处理(647) 四电压比较器LM339的8个典型应用例子(647) 单键触模式灯开关(639) Protel使用的60个问题和解(631) 全保护型家用供水控制器(625) 调压、定时两用控制器(623) 电容式接近控制电路(617) 外围元件最少的2×15W功放电路(617) 15W的发射机功率放大电路(609) 触摸开关五例(609) 首页 前页 后页 尾页 本站推荐: | 触摸开关五例
1、 本站不保证以上观点正确,就算是本站原创作品,本站也不保证内容正确。 2、如果您拥有本文版权,并且不想在本站转载,请书面通知本站立即删除并且向您公开道歉! |
|
本站协议 |
版权信息 |
关于我们 |
本站地图 |
营业执照 |
发票说明 |
付款方式 |
联系方式
深圳市宝安区西乡五壹电子商行——粤ICP备16073394号-1;地址:深圳西乡河西四坊183号;邮编:518102 E-mail:51dz$163.com($改为@);Tel:(0755)27947428 工作时间:9:30-12:00和13:30-17:30和18:30-20:30,无人接听时可以再打手机13537585389 |